直流电子负载_大功率直流电源_可编程交流电源_APM全天科技

English
Home·About APM·News·2021

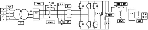
Application of DC Source in PCS Test

PCS could control the charge and discharge of storage battery to AC-DC converting. Without the condition of power grid, it could supply power to AC load. When receiving control commands via communication receiver, PCS controller will control converter to charge or discharge battery according to symbol and power value of power range command, which could realize the adjustment to grid in active power and inactive power.



PCS contains multiple characteristics:
1. Support different kinds of batteries
2. Adjustable to inactive power
3. Low voltage or zero voltage ride through
4. Wide input voltage range(450~850V)
Thus, to test the performance of PCS, there is high requirement to power supply for test. It requires power supply to simulate all kinds of operation condition and available to test LVRT function for PCS. It should able to output wide range voltage at the meanwhile.

APM advised customer SP-3U/6U series wide range high power range DC source: SP1000VDC12000W



Customer use list and step function to simulate parts of operation condition. Test result meets the requirement;voltage rise time <15ms(no load), <85ms(full load), completely satisfy the requirement of LVRT of PCS. Adjustable output voltage from 0-1000V cover customer’s requirement in voltage. Customer speaks highly of the product.
With good test result and strong interest to APM power supply, customer directly signed the purchase contract on site after consulting for more information.

Welcome to APM

Please leave a message about your product information for further contact.

  • Product
  • *Name
  • *Company
  • *Email
  • *Tel
  • Company website
  • *Application industry
  • *Location
  • *Get APM info from
  • Requirement
  • *
    Agree with the privacy policy
  • *Verification Code